諧波減速器軸承包括剛性軸承和柔性軸承兩大類型,剛性軸承包含四種系列,CSG系列、SHG系列,其命名方式采用減速器的命名;柔性軸承的命名為HYR。
產品名稱:CSG(CSF)系列
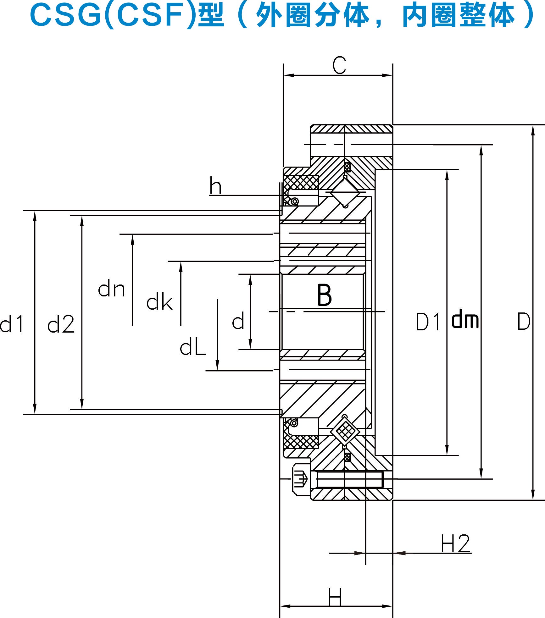
介紹:外圈被分成兩片,內圈為整體結構,安裝時不需要法蘭和軸承座,主要應用在CSG和CSF系列的各類減速器輸出部位。
參數:



全國服務熱線
CSG(CSF)系列:外圈被分成兩片,內圈為整體結構,安裝時不需要法蘭和軸承座,主要應用在CSG和CSF系列的各類減速器輸出部位。
諧波減速器軸承包括剛性軸承和柔性軸承兩大類型,剛性軸承包含四種系列,CSG系列、SHG系列,其命名方式采用減速器的命名;柔性軸承的命名為HYR。
產品名稱:CSG(CSF)系列
介紹:外圈被分成兩片,內圈為整體結構,安裝時不需要法蘭和軸承座,主要應用在CSG和CSF系列的各類減速器輸出部位。
參數:


